Сертификация

Характеристики
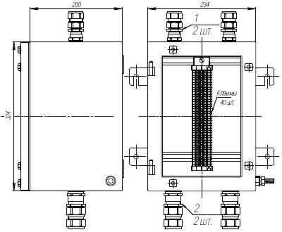
В таблице готовых решений указаны характеристики конкретного изделия, обусловленные набором компонентов, входящих в состав клеммной коробки.
Для металлических кабельных вводов указан материал латунь. Возможны к установке кабельные вводы соответствующего типа из никелированной латуни, нержавеющей стали или алюминия. Необходимый материал кабельных вводов указывается при заказе. При этом будет изменено обозначение изделия.
67 |
Обозначение: |
|||
![]() |
||||
| Место установки | Зона 1, 2 | |||
| Маркировка взрывозащиты | 2ЕхeIIT4 | |||
| Защита от внешних воздействий | IP66 | |||
| Температура окружающей среды | -55˚C до +60˚C | |||
| Материал кабельного ввода | Латунь (никелированная латунь) |
|||
| Сечение подключаемых проводников | 0,2 — 2,5 мм2 | |||
| Номер кабельного ввода | Номер исполнения | |||
| Позиция 1 | Позиция 2 | Клеммы пружинные |
Клеммы винтовые |
|
| 13 | 13 | 517 | 518 | |
| 13 | 14 | 519 | 520 | |


